Показываю, как нужно правильно, по инструкции сливать масло из амортизатора, чтобы сдать его в металлолом
Приветствую вас, господа, на своём канале. Скорее всего у вас в гараже не валяются десятки различных ненужных стоек и амортизаторов, и вы точно не ломаете голову, как же сдать их в металлолом и заработать копеечку. Но иногда такие вопросы могут возникнуть, особенно после замены данных деталей на своем авто, но здесь многих может ожидать один весьма неприятный сюрприз.
Дело в том, что сдать амортизатор просто так в пункт приёма черных металлов нельзя, так как внутри может находиться газ, а также масло (в зависимости от типа амортизатора). Разумеется, на скупке работают не простаки и они об этом знают, да и не зря производители многих амортизаторов на своих официальных сайтах размещают правила утилизации их продукции после выхода из строя.
подготавливаем амортизатор к утилизации правильно
Изучив информацию некоторых таких источников, а также обратившись к официальной инструкции Volkswagen, я нашёл несколько полезных советов, которые помогут вам безопасно и максимально просто и быстро слить масло из вышедшего из строя амортизатора. А понадобится нам для этого вот что:
- два сверла, желательно 3 и 6 мм
- дрель или шуруповёрт с функцией сверления (высокой скоростью)
- тиски
- емкость для слива жидкости
Итак, первым делом необходимо зажать амортизатор в тисках вертикально, чтобы шток был направлен вниз. Выглядеть это должно примерно следующим образом:
зажимаем амортизатор в тисках штоком вниз
Далее необходимо сделать пару меток, чтобы удобнее было ориентироваться. Согласно инструкции первое отверстие меньшим диаметром сверлить необходимо на расстоянии 25 мм от нижней части стойки, а второе большим диаметром — на расстоянии 60 мм. Помечаем точки маркером.
маркером делаем нужные метки для сверления
Ну а дальше всё по инструкции. Сначала сверлим малое отверстие. Ах да, не забываем про защитные очки, это обязательно условие при выполнении данной работы.
Когда с ним справились, берем сверло большего диаметра и продолжаем работу, просверливая второе отверстие для слива масла из амортизатора.
два отверстие после сверления корпуса стойки
Теперь нам понадобится ёмкость для слива масла, и чем она будет больше, тем удобнее всё это будет делаться.
сливаем масло из амортизатора
Сначала масло будет вытекать достаточно большой струёй, но потом течь перестанет, но останавливаться на этом не стоит. Для того, чтобы избавиться от масла внутри полностью, необходимо несколько раз прокачать шток «вверх-вниз», избавляясь от остатков масла. Когда жидкость практически полностью будет слито, шток начнёт ходить очень легко. Добиваемся такого результата, когда после многочисленных движений штока масло перестанет вытекать из отверстий.
Подробнее об этом процессе, так сказать, в живую, можно посмотреть в моём видео-обзоре:
Важность безопасности при снятии амортизатора
Безопасность – это абсолютно неотъемлемый аспект при снятии амортизатора
Во время работы с автомобилем и его компонентами следует соблюдать определенные меры предосторожности, чтобы избежать возможных травм или повреждений. Вот несколько важных моментов, которые следует учесть:
- Правильная поддержка автомобиля: Перед началом работ убедитесь, что ваш автомобиль находится на ровной и надежной поверхности. Используйте надежный гидравлический домкрат или специальный подъемник для поддержки автомобиля. Уверьтесь, что автомобиль полностью устойчив и надежно закреплен перед продолжением процесса снятия амортизатора.
- Используйте правильные инструменты: Для снятия амортизатора необходимы соответствующие инструменты, такие как гаечный ключ, торцовый ключ и другие специализированные инструменты. Убедитесь, что вы используете правильные инструменты для выполнения работы и что они находятся в хорошем состоянии.
- Защитные средства: Не забывайте использовать защитные средства для предотвращения возможных травм. Наденьте защитные очки, перчатки и подходящую защитную одежду. Это поможет вам предотвратить возможные повреждения кожи или глаз.
- Безопасность при работе под автомобилем: Если вам приходится работать под автомобилем, используйте подставки или поддерживающие стойки для обеспечения дополнительной безопасности. Никогда не полагайтесь только на гидравлический домкрат для поддержки автомобиля, поскольку он может неожиданно опускаться.
- Соблюдение инструкций производителя: Всегда следуйте инструкциям производителя автомобиля и амортизатора. Они содержат важную информацию о правильной процедуре снятия и установки амортизатора, а также рекомендации по безопасности.
Конструкция амортизаторов
Со стороны может показаться, что амортизаторы примерно одинаковые, но у них много отличий. У автомобилей несколько конструкций подвесок, поэтому передние и задние, а также левые и правые амортизаторы могут отличаться: к корпусу амортизатора могут крепиться различные детали ходовой части, например стойки стабилизаторов и тормозные шланги. Но это не обязательно, в некоторых случаях разделения на левый и правый может не быть.
Внутри амортизаторов могут быть газ и масло или только масло. Есть три типа.
Двухтрубные гидравлические — самый ранний вид автомобильных амортизаторов. Они состоят из двух труб, которые заполнены маслом и частично воздухом. При сжатии трубы сильнее погружаются друг в друга, а масло проходит через специальные клапаны между ними: именно от клапанов зависит, насколько амортизатор будет жестким. Когда амортизатор разжимается, масло проходит обратно. В резервуаре с маслом есть воздух: он компенсирует давление, потому что может сжиматься. Благодаря этому масло не выдавливает через сальники.
У конструкции есть недостатки: масло может перегреться и вспениться — амортизатор не сможет работать, пока оно не остынет.
Двухтрубные газовые амортизаторы повторяют конструкцию гидравлических. В трубах по-прежнему масло, но в одной из них вместо воздуха газ под давлением. Такая конструкция лучше сопротивляется вспениванию масла: амортизатор дольше сохраняет работоспособность.
Однотрубные. Здесь только одна труба-корпус, заполненная маслом. Когда амортизатор сжимается, внутри перемещается шток с клапанами. Небольшая полость заполнена газом и отделена поршнем. Такая конструкция сложнее и дороже в производстве, но лишена главного недостатка двухтрубной конструкции. Такой амортизатор почти невозможно перегреть, а еще он легче.
Отличия в конструкции амортизаторов показаны схематически. Настоящий амортизатор в разрезе выглядит намного сложнее, но понять принцип работы проще по такой схеме. Отличия в длине у двухтрубного и однотрубного амортизатора не будет, ее всегда определяет конструкция подвески автомобиля
Отличия в конструкции амортизаторов показаны схематически. Настоящий амортизатор в разрезе выглядит намного сложнее, но понять принцип работы проще по такой схеме. Отличия в длине у двухтрубного и однотрубного амортизатора не будет, ее всегда определяет конструкция подвески автомобиля
Подвеска типа McPherson очень популярна в современных автомобилях. Амортизатор и пружина объединены в единую стойку. Фото: Creativa images / Shatterstock
Подвеска типа McPherson очень популярна в современных автомобилях. Амортизатор и пружина объединены в единую стойку. Фото: Creativa images / Shatterstock
Советы для СТО
В среднем в каждом седьмом автомобиле по меньшей мере один амортизатор или демпфер нуждается в ремонте. Из наших рекомендаций для СТО по работе с амортизаторами и демпферами вы узнаете, зачем и когда необходима замена амортизаторов, как установить причину повреждения и как правильно произвести замену обычных и электронных амортизаторов и демпферов. Советы по ремонту амортизаторов содержат также информацию о внешних повреждениях от удара, потере герметичности и экологической утилизации во время замены амортизаторов и стоек.
Внимание!
Наши советы по установке носят рекомендательный характер. Данный документ является общей рекомендацией. Соблюдайте соответствующие руководства по установке и эксплуатации автопроизводителя, а также содержащиеся в них указания и предписания по технике безопасности! Все работы должны выполнять только квалифицированные специалисты! Использованные фотоматериалы и описания носят обобщенный характер и могут отличаться в зависимости от автопроизводителя.
Замена амортизаторов
Амортизаторы отвечают за безопасность и комфорт движения. Когда следует их менять? Как правильно произвести установку новых амортизаторов? Читайте в данной рекомендации для СТО.
Осмотр амортизаторов
Около 14 процентов эксплуатируемых транспортных средств двигаются по дорогам как минимум с одним неисправным амортизатором, что представляет собой существенную опасность. Замена дефектного амортизатора или демпфера в специализированной СТО сделает автомобиль вашего клиента снова надежным и безопасным.
Установка амортизаторов
Неправильный монтаж или авария могут привести к несоосности амортизаторов и демпферов, а позднее – к серьезным повреждениям компонентов
ZF Aftermarket подробно описывает, на что необходимо обратить внимание во время проверки и установки амортизаторов
Замена амортизационной системы CDC
Все больше автопроизводителей отдают предпочтение системе демпфирования без ступеней – амортизационной системе CDC. Она обеспечивает постоянный мониторинг факторов, влияющих на демпфирование, таких как состояние дороги, нагрузка, ускорение кузова транспортного средства и действия водителя.
Утилизация амортизаторов
Наша компания уделяет большое внимание защите окружающей среды. В связи с этим наша концепция качества продукции предусматривает не только оптимальные эксплуатационные характеристики, длительный срок службы и удобство установки деталей, но и бережное обращение с ресурсами и окружающей средой
Внешние повреждения амортизаторов
Авария или неправильный монтаж могут привести к серьезным повреждениям компонентов. Поэтому необходимо проводить внимательный осмотр повреждений осей и мостов, а также мест соединения амортизаторов/демпферов и проверять углы установки колес.
Потеря герметичности амортизаторов
Иногда кажущаяся потеря герметичности амортизатора или демпфера на самом деле таковой не является. Появление небольшого количества влаги ‒ нормальный и даже необходимый процесс, обеспечивающий смазку уплотнения штока амортизатора. Никогда не проводите диагностику амортизаторов и демпферов после поездки в дождливую погоду – они должны быть сухими.
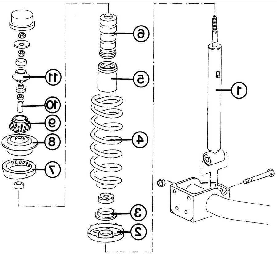
Стойки амортизаторов, амортизаторы, стойки: кто есть кто?
Очень часто автолюбители по неопытности или незнанию путают два ключевых понятия — амортизаторы и стойки амортизаторов, считая, что это одно и то же. В действительности их необходимо разделять и вот почему.
Сам по себе амортизатор (ещё его называют стойкой телескопической) представляет собой деталь, предназначенную для смягчения резкого разжатия пружины и гашения её колебаний.
Стойкой же называют целый комплекс элементов, основными в котором являются пружина и амортизатор.
В задачи стойки входит не только повышение комфорта, но и поддержание управляемости на разных скоростях, а также самое главное — соединение кузова с колесными механизмами.
Чтобы всё вышесказанное было понятнее, рассмотрим более детально конструктив всей стойки. Итак, она состоит из следующих деталей:
- непосредственно сам амортизатор или, как его ещё называют в технической литературе — стойка телескопическая;
- пружина — ключевая деталь конструкции;
- шток амортизатора с кожухом;
- ушко крепления;
- опора стойки верхняя;
- упорная чашка пружины;
- подшипник опоры;
- различные крепёжные элементы.
Основными в этом семействе, как было сказано выше, пружина и амортизатор, которые работают в паре. О них мы расскажем подробнее.
Пружины
Данная деталь, благодаря своей упругости, в первую очередь воспринимает на себя все неровности дороги, коих в нашей стране немало. По сути, главным демпфирующим элементом, который не даёт нам почувствовать своей пятой точкой все прелести ухабов, является именно она.
Но у пружины есть один большой недостаток — после того как она сжалась, к примеру, после наезда на выбоину, она разжимается и продолжает колебаться вверх и вниз, пока вновь не войдёт в состояние равновесия.
Такие колебания вряд ли можно назвать комфортными, ведь они передаются на весь кузов. Кто ездил на автомобиле с неисправными амортизаторами знает, автомобиль раскачивается и становится практически неуправляемым.
Так вот тут в работу и вступает амортизатор. Он, моментально и плавно погасить эти паразитные колебания пружины.
Это дарит не только приятные ощущения людям в машине, но и позитивно отражается на устойчивости авто на дороге и его управляемости в целом.
СААЗ
Завершает наш список лучший российский производитель автомобильных стоек. Товары СААЗ широко известны для большинства автовладельцев отечественных транспортных средств.
Стойки и амортизаторы отличаются своей повышенной надежностью, при этом они отлично подходят для климатических условий любых регионов России.
Товары соответствуют международным стандартам, при этом производственное оборудование постоянно обновляется, что позволяет бренду составить конкуренцию именитым зарубежным компаниям.

Наибольшей популярностью пользуются газонаполненные модели, которые гарантируют отличную устойчивость машины.
При этом повороты с легкостью проходятся даже на больших виражах. Но вот долговечность тут оставляет желать лучшего, что и является основным минусом бренда.
Полезные рекомендации
Чтобы амортизаторы не утратили свои характеристики в процессе хранения, следуйте таким советам:
Масляные стойки должны находиться в горизонтальном положении, в противном случае произойдёт пересыхание и отверждение резиновых уплотнителей. Вертикальное положение допустимо только для кратковременного хранения.
Шток газомасляного амортизатора всегда должен находиться внутри корпуса и быть закреплён заводским крепежом. Если надолго оставить такие стойки в горизонтальном положении, они могут потерять часть газа.
Крайне не рекомендуется надолго оставлять стойки при минусовой температуре. Холод негативно воздействует на гидравлические свойства масла. Требования актуально как для масляных, так и газомасляных амортизаторов.
Условия хранения могут несколько отличаться в зависимости от модели и производителя. Поэтому перед помещением на длительное хранение следует внимательно изучить рекомендации производителя, указанные в технической документации.
Двухтрубные амортизаторы обязательно необходимо прокачивать перед установкой в транспортное средство. В процессе хранения возможно перетекание масла из внутреннего цилиндра в наружный, и заполнение пространства воздухом. Если не прокачать стойки, они будут работать жёстко и нестабильно.
Шток газомасляного амортизатора обязательно должен быть направлен вверх. Недопустимо содержать такие стойки в перевёрнутом положении.
Перед установкой после длительного хранения амортизаторы нужно проверить на предмет наличия внешних повреждений и следов гидравлической жидкости
Особое внимание следует уделить проверке штока, он не должен иметь раковин, царапин, сколов и других механических дефектов.
После длительного хранения газомасляные амортизаторы могут иметь провалы по усилию при перемещении штока. Это не является поломкой
Для восстановления нормального хода штока достаточно прокачать амортизатор.
Зачем в подвеске автомобиля амортизаторы
Мы уже рассказывали, как работают пружины, когда машина проезжает неровность. Чтобы колесо не подпрыгнуло и не оторвалось от дорожного полотна, нужен дополнительный демпфер. Он поможет восстановить полный контакт колеса с дорогой.
Если энергию сжатия или растяжения пружины никуда не передать, то колебания закончатся сильно после проезда препятствия: пружина продолжит сжиматься и разжиматься по инерции. Машина будет не готова к следующей неровности, управляемость пострадает.
Чтобы как-то поглощать лишнюю механическую энергию пружины, в подвеску ставят амортизаторы. Их конструкция позволяет быстро гасить колебания пружин и восстановливать положение автомобиля в пространстве.
Амортизаторы преобразуют механическую энергию в тепловую. Поэтому если быстро и долго ехать по очень плохой дороге, амортизатор может перегреться и выйти из строя. В обычных условиях перегреть амортизатор у водителя не получится. Машину будет так сильно трясти, что он будет вынужден сбавить скорость, поэтому амортизаторы не перегреются.
Амортизатор не сможет работать без упругого элемента с нужными характеристиками. Без пружин или рессор все 4 амортизатора автомобиля полностью сожмутся под его массой. Про управляемость и комфорт придется забыть.
Задняя подвеска Хонды Цивик. Амортизаторы могут разместить внутри пружины, а могут расположить рядом, только пружин или только амортизаторов быть не может. Фото: M181 / Shutterstock
Чем отличаются изделия газово-масляные от масляных
Из самого названия уже ясно, что основное их отличие – это рабочий состав, который используется внутри устройства.
Основной недостаток таких типов устройств – это аэрация (вспенивание масла), которое происходит в результате изменения физико-химических свойств жидкости при воздействии на нее поршня в малом пространстве.
Это проявляется провалом в работе устройства и нехарактерными для них звуками.
Частичное понижение аэрации достигается за счет замены воздуха газом азот, в результате появились газо-масляные аналоги, которые бывают одно или двухтрубными.
Однотрубные часто называют газовыми, потому что там масло и газ разделены подвижной перемычкой и не смешиваются.
ВАЖНО ЗНАТЬ: Причины стука амортизатора. Сильный подпор обеспечивает давление газа в районе 10 – 30 атмосфер также существуют регулируемые аналоги
В основном устанавливаются на спортивные автомобили
Сильный подпор обеспечивает давление газа в районе 10 – 30 атмосфер также существуют регулируемые аналоги. В основном устанавливаются на спортивные автомобили.
У двухтрубных газово-масляных амортизаторах подпор газа меньше – от 3 до 10 атмосфер.
Но не будет углубляться в тему, ведь не за этим вы сюда пришли. Устройство амортизатора можно посмотреть на фото ниже.
Читать новости о новой Ниве
- Реле стартера нива шевроле где находится
- Руководство по ремонту Suzuki Grand Vitara (Сузуки Гранд Витара) 1998-2005 г.в. |
- Комплектации и цены LADA Нива 3-дв. Купить Niva в Москве в салоне АвтоГЕРМЕС
- Где находится номер краски на ниве шевроле
- Замена ступичного подшипника Нива Шевроле: передней ступицы и полуоси
- Купить Квадроцикл снегоболотоход на шинах низкого давления аналог вездехода Сокол высокого качества по максимально низкой цене
- Что такое хабы на внедорожнике или муфты свободного хода
- Установка кнопки Старт-Стоп вместо замка зажигания (принцип работы, схема подключения, ошибки)
Повышайте эффективность работы СТО с рекомендациями по обслуживанию и ремонту амортизаторов и демпферов
Обнаружение неисправностей подвески, ремонт амортизатора или демпфера – по этим и другим темам вы найдете ответы в рекомендациях от профессионалов ZF Aftermarket. Воспользуйтесь удобством простых и четких инструкций, которые заметно облегчат вам работу. Вы сэкономите время и деньги, а ваши клиенты останутся довольны результатом.
Советы для СТО по работе с амортизаторами и демпферами содержат описание не только процесса замены, но и возможных неисправностей амортизаторов, связанных с этим последствий и методов устранения таких дефектов. Благодаря изображениям вы легко сможете произвести необходимые операции пошагово. В дополнение к инструкциям также приведены полезные советы по ремонту амортизаторов от производителя.
Дополнительная информация
Несколько щелчков мышью — это все, что нужно, чтобы найти дилера рядом с вами!
Есть ли у вас вопросы по продукции SACHS?
Концепция СТО для тех, кто в курсе — ваша экспертная горячая линия
Центр настроек конфиденциальности
Когда вы посещаете какой-либо веб-сайт, он может сохранять информацию в вашем браузере или получать из него данные, в основном в виде файлов cookie. Эта информация может относиться к вам, вашим предпочтениям, вашему устройству или будет использоваться для правильной работы веб-сайта с вашей точки зрения. Такие данные обычно не идентифицируют вас непосредственно, но могут предоставлять вам индивидуализированные возможности работы в интернете. Вы можете отказаться от использования некоторых типов файлов cookie. Нажимайте на заголовки категорий, чтобы узнать подробности и изменить настройки, заданные по умолчанию. Однако вы должны понимать, что блокировка некоторых типов cookie может повлиять на использование вами веб-сайта и ограничить предлагаемые нами услуги.
Эти файлы cookie необходимы для функционирования веб-сайта и не могут быть отключены в наших системах. Как правило, они активируются только в ответ на ваши действия, аналогичные запросу услуг, такие как настройка уровня конфиденциальности, вход в систему или заполнение форм. Вы можете настроить браузер таким образом, чтобы он блокировал эти файлы cookie или уведомлял вас об их использовании, но в таком случае возможно, что некоторые разделы веб-сайта не будут работать.
Эти файлы cookie позволяют нам подсчитывать количество посещений и источников трафика, чтобы оценивать и улучшать работу нашего веб-сайта. Благодаря им мы знаем, какие страницы являются наиболее и наименее популярными, и видим, каким образом посетители перемещаются по веб-сайту. Все данные, собираемые при помощи этих cookie, группируются в статистику, а значит, являются анонимными. Если вы не одобрите использование этих файлов cookie, у нас не будет данных о посещении вами нашего веб-сайта.
Ваша конфиденциальность
Когда вы посещаете какой-либо веб-сайт, он может сохранять информацию в вашем браузере или получать из него данные, в основном в виде файлов cookie. Эта информация может относиться к вам, вашим предпочтениям, вашему устройству или будет использоваться для правильной работы веб-сайта с вашей точки зрения. Такие данные обычно не идентифицируют вас непосредственно, но могут предоставлять вам индивидуализированные возможности работы в интернете. Вы можете отказаться от использования некоторых типов файлов cookie. Нажимайте на заголовки категорий, чтобы узнать подробности и изменить настройки, заданные по умолчанию. Однако вы должны понимать, что блокировка некоторых типов cookie может повлиять на использование вами веб-сайта и ограничить предлагаемые нами услуги.
Строго необходимые файлы cookie
Эти файлы cookie необходимы для функционирования веб-сайта и не могут быть отключены в наших системах. Как правило, они активируются только в ответ на ваши действия, аналогичные запросу услуг, такие как настройка уровня конфиденциальности, вход в систему или заполнение форм. Вы можете настроить браузер таким образом, чтобы он блокировал эти файлы cookie или уведомлял вас об их использовании, но в таком случае возможно, что некоторые разделы веб-сайта не будут работать.
Эксплуатационные файлы cookie
Эти файлы cookie позволяют нам подсчитывать количество посещений и источников трафика, чтобы оценивать и улучшать работу нашего веб-сайта. Благодаря им мы знаем, какие страницы являются наиболее и наименее популярными, и видим, каким образом посетители перемещаются по веб-сайту. Все данные, собираемые при помощи этих cookie, группируются в статистику, а значит, являются анонимными. Если вы не одобрите использование этих файлов cookie, у нас не будет данных о посещении вами нашего веб-сайта.
Признаки неисправностей
Выход из строя левой или правой стойки может спровоцировать ДТП.
При обнаружении следующих признаков, следует произвести ремонт или замену:
- Появился скрип, хруст на поворотах и при резком торможении.
- Машину «колбасит» (покачивает) в разные стороны.
- На поворотах авто не слушается, заносит.
- Тормозной путь больше, чем при исправных стойках амортизатора.
- При резком старте или торможении, ТС сильно садится.
- Колеса с поверхностью дороги имеют плохое сцепление.
- Износ резины не равномерный и быстрый.
- Из система амортизации вытекает масло.
- При визуальном осмотре, наблюдается коррозия на опоре и на пружине.
- Пружина расположена неправильно.
Для каждой марки и модели авто стойки покупать следует исходя из соответствия к массе автомобиля и конструкции.
Какие разновидности можно прокачивать
Итак, какие амортизатор перед установкой прокачивают? Ответ – все. Газовые, гидравлические и газо-масляные обязательно подвергаются прокачке перед монтажом на автомобиль.

Учтите только, что для каждого отдельного типа разработана индивидуальная прокачка амортизаторов. Ниже будут приведены подробные инструкции.
Как прокачиваются газовые

Для начала изучите эту картинку, чтобы понять конструкцию газовой стойки. После можно прокачать стойки:
Переверните стойку штоком книзу. Уприте его в твердую основу. Лучше всего подойдет бетонный пол или кирпич.
Теперь аккуратно надавите на поршень. Действуйте без рывков, плавно и зафиксируйте так на несколько секунд. В это время наполнитель будет плавно распределяться по цилиндру.
После переверните стойку штоком к верху и подержите так секунд 10.
По истечению времени аккуратно, без рывков выдвинете поршень до упора.
Теперь в таком положении повторите пункты 2 и 3.
Можно сказать, что процедура закончена. Осталось только сделать резкий, но короткий толчок поршня внутрь
Обратите внимание, что движение должно быть мягким, плавным, без скрипа.
Почти готово, теперь не переворачивайте стойку до самой установки, иначе придется повторить. Шток должен смотреть вверх!

Гидравлические (масляные)
Как правильно прокачать масляные амортизаторы. По сути инструкция мало отличается, но с некоторыми оговорками. В гидравлических типах не должно быть газа (то есть воздуха) вообще.
Вот инструкция по прокачиванию масляных «амортеров» своими руками:
Опустите стойку штоком вниз и надавите на него
Выполняйте процедуру без рывков, с предельной осторожностью.
Подержите в таком состоянии 3 секунды и затем переверните поршнем кверху и подержите еще секунд 6
Обратите внимание, что в этот момент должен выйти весь воздух. Определить это можно по характерному шипению.
Теперь шток выдвинете поверните вниз, а затем наверх.
В отличие от газа, масло – среда более вязкая и распределяется медленнее. Поэтому необходимо повторить эту процедуру около 3 раз. Затем резко вгоните поршень внутрь и проследите, чтобы он не тер и легко проходил в пазу.

Если замечено трение, можно повторить процедуру еще раз. Результат не изменился? Значит вам достался брак, который необходимо вернуть в магазин.
Газо-масляные
Как прокачать амортизаторы перед установкой? В целом, инструкция почти не отличается, за исключением повторяемости.
Повторите прокачку еще 4 раза, делая интервал в 3 секунды., чтобы наполнитель полностью распространился внутри цилиндра. Газо-масляная смесь весьма «капризная», поэтому иногда прокачку нужно повторить 5-6 раз.

Прокачка газомасляных амортизаторов на этом закончена
Обратите внимание, что при установке могут быть слышны посторонние звуки, похожие на чавканье. Это абсолютно нормально для этого типа стоек
История появления амортизатора
Первые автомобили с рессорной подвеской обладали неприятным свойством: при преодолении неровностей их кузов сильно раскачивался. Изначально данная проблема частично решалась сама собой, поскольку в многолистовых рессорах наблюдался эффект межлистового трения, который способствовал гашению колебаний кузова. Но этого было недостаточно.

Фрикционные амортизаторы
Поэтому следующим этапом стало добавление в состав подвески отдельного демпфирующего элемента. Одними из первых таких устройств были амортизаторы сухого трения с фрикционными дисками, разработанные в начале прошлого века.
В 1950-х годах стали применяться поршневые масляные амортизаторы телескопического типа, в основе работы которых лежал принцип жидкостного трения. Их устройство, позаимствованное из конструкции авиационных шасси, применяется в подвеске автомобилей и сегодня.
Частые проблемы и ошибки при снятии амортизатора и как их избежать
При снятии амортизатора могут возникать некоторые распространенные проблемы и ошибки. Вот несколько из них и способы их избежать:
- Повреждение резьбы: Ошибка заключается в неправильном обращении с резьбовыми соединениями при снятии амортизатора. Чтобы избежать повреждений резьбы, перед началом работы следует убедиться, что инструменты правильно посадочные и соответствуют размерам и требованиям резьбы. Кроме того, используйте правильные методы затяжки и не перенапрягайте болты или гайки.
- Повреждение резиновых прокладок: Ошибка заключается в грубом обращении с резиновыми прокладками, что может привести к их повреждению. Чтобы избежать этого, рекомендуется быть осторожными при снятии амортизатора и не применять слишком большую силу. При необходимости замените резиновые прокладки, если они показывают признаки износа или повреждений.
- Утерянные или неправильно установленные компоненты: Ошибка может произойти, когда во время снятия амортизатора необходимые компоненты или крепежные элементы теряются или неправильно устанавливаются. Чтобы избежать этого, рекомендуется внимательно следить за всеми компонентами и сохранять их в безопасном месте во время работы. При необходимости сделайте фотографии или сделайте пометки, чтобы запомнить правильную конфигурацию компонентов.
- Недостаточная безопасность: Ошибка заключается в неправильной подготовке автомобиля и недостаточном принятии мер безопасности при снятии амортизатора. Чтобы избежать этого, перед началом работы убедитесь, что автомобиль припаркован на ровной и безопасной поверхности, соблюдайте инструкции по отключению системы подвески (если необходимо) и используйте подходящие средства безопасности, такие как перчатки и защитные очки.
- Отсутствие руководства или профессиональной помощи: Ошибка заключается в отсутствии руководства или неправильном выполнении процедуры снятия амортизатора без должного опыта. Чтобы избежать этого, рекомендуется обратиться к руководству по эксплуатации автомобиля или обратиться к квалифицированному механику или сервисному центру, особенно если у вас нет достаточного опыта или инструментов для выполнения этой задачи.
Следуя этим рекомендациям и избегая распространенных ошибок, вы сможете снять амортизатор без проблем и повреждений. В случае сомнений или неуверенности лучше обратиться за помощью к профессионалам.





























